9I免费看片黄,9.1成人免费看片,国产免费看片,免费看片网站黄色

    開關、插座、連接器專業製造
    全國諮詢熱線:13712077807
    當前位置:首頁 > 繁體中文 > 産品中心 > DC插座 > DC插座DIP >

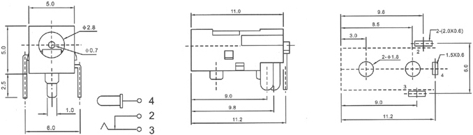
    DC-011

    產品介紹
    DC-011    詳情說明 型號:DC-011
    技術指標:
    使用溫度範圍 Temperature -30~70℃ 耐壓 Withstand Voltage AC500V(50Hz)/min
    額定負荷 Rated Load DC 30V 0.5A 插拔力 Actuating Force 3~20N
    接觸電阻 Contact Resistance ≤0.03Ω 壽命 Life 5000次
    絕緣電阻 Insulation Resistance ≥100MΩ    

    在線客服
    聯繫方式

    熱線電話

    0769-85330959

    手機號碼

    13712077807

    二維碼
    網站地圖